明牌传动设备(广东)有限公司,品牌"MINPEAR"-齿轮减速电机 NMRV减速机 牙箱 丝杆升降机 四大系列减速机

明牌传动微信

热线服务
手机/微信同号13642810078

专业的技术、规范的管理、踏实的态度、优质的服务18年专业从事各类减速电机传动设备制造、销售设计选型安装于一体 400-0769-037

明牌传动,VARVEL减速机、MOTOVARIO减速机、TWT电机减速机、TECO东元电机、JSCC精研

明牌电机当前所在位置 : 减速机产品中心 > 

西米克刹车卧式

西米克刹车卧式

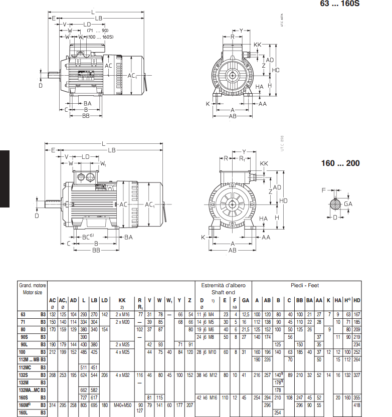
SEIMEC刹车电机 西米克刹车电机,意大利SEIMEC西米克刹车电机 刹车马达 意大利刹车马达 意大利刹车电机 原装进口刹车电机电机功率:从0.09KW--7.5KW 全铝合金外壳。转数是:3000;1500;1000;750rpm ;电机安装方式为:B5标准法兰; B14小法兰; B3卧式电机已通过ICE认证:宽电压…

电机产品详情

 

SEIMEC刹车电机 西米克刹车电机,意大利SEIMEC西米克刹车电机 刹车马达  意大利刹车马达 意大利刹车电机 原装进口刹车电机

电机功率:从0.09KW--7.5KW 全铝合金外壳。转数是:300015001000750rpm ;电机安装方式为:B5标准法兰; B14小法兰; B3卧式电机已通过ICE认证:宽电压:(220|380V;240|415V;260|440V;280|480V)宽频率:50|60HZ 其轴承是:瑞典SKF或日本NSK,其特点是:低噪音、小振动其绝缘等级为F级绝缘,可耐155℃高温 ;其防护等级为IP55 

刹车特点:

 1、意大利刹车电机,当电源切断后,可手动释放刹车,转动的马达出力。 2、刹车来今片是由高摩擦系数和长寿命的材料制成,刹车次数可达100000次后再调整一次, 可耐较高的温升、当温度在75℃时仍能全负载使用。 3、意大利刹车电机使用AC电源,经由整流器转换后供应给刹车电机刹车线圈使用其特性是噪音低、冲击小。正反转均能有效 地达到刹车动作。 4、意大利刹车电机的刹车部分零部件充足,不影响售后服务问题 5、以带释放装置我公司是意大利刹车电机指定中国总代理

推荐产品